智慧雨排口
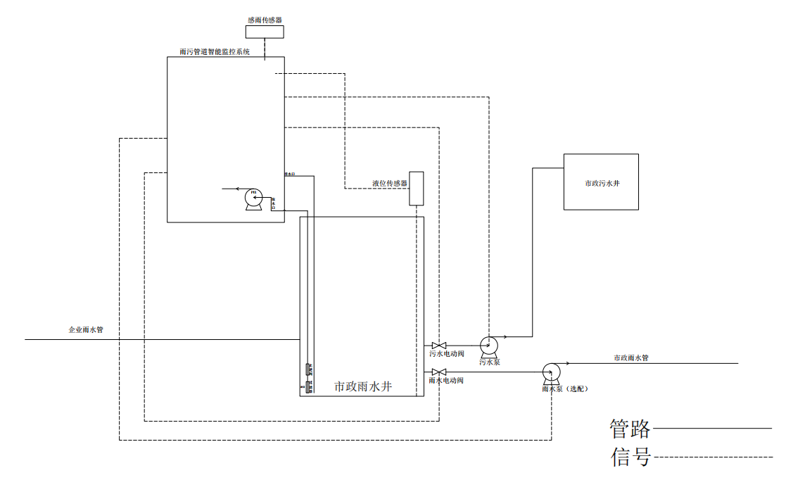
“智慧排口”采用雨污管道智能監控系統,實現pH、電導率、水溫、COD(紫外吸收法)、氨氮(離子選擇法)、總磷、液位信號、感雨信號等參數的監測。
“智慧排口”主要實現企業雨水混合后排入河道前的監測,確保零直排。通過水質自動監測微型站2控制大流量水泵運轉,將混有污水的雨水作為污水處理,實現零排放。
設有主副雙液位檢測功能,正常情況下水位到達主液位時,啟動電導率測量,以電導率測量結果作為雨水是否排入河道的判定條件,副液位用作備用液位,當主液位故障時,啟動副液位,保證液位監測冗余可靠。
采用快速測量水質的技術方案進行雨水排放監測,進行雨水多個參數的監測,更加能夠體現排放雨水水質狀況,較原有智慧排口采用單一電導率監測的方式更加科學,滿足降雨條件下的雨水是否排放入河道做快速判定,同時能分析出該點水質具體情況。
該監測方案與現行試點智慧排口方案結合,可以形成更加智慧的雨水排口,不僅能有效阻斷超標雨水排向河道,同時能有效減輕污水處理廠不必要的負擔。為河道零直排提供保障。
采用總磷代替原有總磷的監測方式,能夠在保證水質監測結果有效的情況下大幅度減少監測時長,達到快速實時監測雨水排放口水質狀況。

智慧排口工作原理
企業雨排口
企業雨水排放口,采用雨污管道智能監控系統,實現pH、水溫、CODcr、氨氮、總磷、液位信號、感雨信號等參數的監測;一般涉水企業實現pH、水溫、CODcr、總磷、液位信號、感雨信號等參數的監測。
企業雨水排放的監測。作為園區水監測的源頭,對于后續監測非常重要,能以此推理出污染水體所在區域,對于治理工作的有序開展具有指導性意義。該系統在監測過程中,發現具有污染性的水樣,系統會進行自動留樣保存,為雨水污染溯源提供有效的證據來源。
重點涉水企業與非涉水企業區別對待。

企業排口采水原理
水環境監管平臺采用AI模型對水質基本情況以及入河排污口進行監管、利用機器學習算法構建斷面水質預測預報模型、按照“因子分析-聚類分析-層次分析”構建水質溯源模型,實現水環境預警與溯源兩大功能,構建水環境監管“測-管-評”機制,完善區域內水環境監管聯防聯控體系。